襯氟閥門

襯氟Y型過濾器產品概述:
GL41F46 襯氟Y型過濾器是用來清除腐蝕性介質中的雜質,保護泵、閥門及其它設備的正常使用。一般通水網為20-60目/cm2,通氣網為40-100目/cm2通油網為100-480目/cm2。可根據介質相應配置。由于過濾器內壁及濾網均采用耐腐蝕性極強的四氟制成,因此該產品被廣泛應用于各種腐蝕性管路中。襯氟Y型過濾器閥體內腔和濾網全部襯氟塑料,該產品在幾乎所有的強酸強堿和有機溶劑等介質中均攤能使用,其介質流量與閥門開度基本呈流線性遞增,可用于控制閥的流量。
襯氟Y型過濾器產品特點:
1. 襯氟Y型過濾器體符合《化工管道過濾器》HG/T 21637-1991或《鋼制壓力容器》GB150-1998規范。
2.多種內襯氟材料選擇:PTFE、PVDF、PFA、ECTFE、FEP、PO、PE。
3.可耐強酸和強堿,PH可達1-14。
4.可抵御小分子氣體的滲透,包括氧、二氧化碳.
5.高純,析出率極低,符合光伏行業的純凈要求。
6.使用溫度寬泛,從超低溫度至260℃。
7.表面極其光滑,摩擦系數很小。
8.機械性能強,堅固、耐磨損性能佳。
襯氟Y型過濾器主要零件材料:
序號 | 零件名稱 | 材料名稱 | |||||
1 | 閥體 | HT250 | WCB | CF8 | CF3 | CF8M | CF3M |
2 | 閥蓋 | HT250 | WCB | 304 | 304L | 316 | 316L |
3 | 過濾網 | PTFE(F4)+316 | |||||
4 | 螺栓 | 35 | 35 | 1Cr17Ni2 | 1Cr18Ni9 | 1Cr17Ni2 | 1Cr18Ni9 |
5 | 螺母 | 45 | 45 | 0Cr18Ni9 | 0Cr18Ni9 | 0Cr18Ni9 | 0Cr18Ni9 |
6 | 內襯材料 | FEP(F46)、PCTFE(F3)、PTFE(F4)、PO(聚烯烴) | |||||
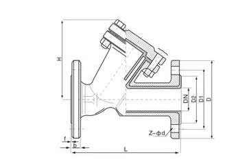
襯氟Y型過濾器主要連接尺寸:‘

| 公稱通徑 | 主要鏈接尺寸 | |||||||
| DN | NPS | L | D | D1 | D2 | f | b | z-d |
| mm | inch | PN1.0MPa | ||||||
| 15 | 1/2 | 150 | 160 | 95 | 65 | 3 | 16 | 4-14 |
| 20 | 3/4 | 150 | 170 | 105 | 75 | 3 | 18 | 4-14 |
| 25 | 1 | 160 | 180 | 115 | 85 | 3 | 18 | 4-14 |
| 32 | 5/4 | 180 | 200 | 140 | 100 | 3 | 18 | 4-18 |
| 40 | 3/2 | 200 | 260 | 150 | 110 | 3 | 18 | 4-18 |
| 50 | 2 | 230 | 260 | 165 | 125 | 3 | 18 | 4-18 |
| 65 | 5/2 | 290 | 330 | 185 | 145 | 3 | 18 | 4-18 |
| 80 | 3 | 310 | 340 | 200 | 160 | 3 | 20 | 8-18 |
| 100 | 4 | 350 | 400 | 220 | 180 | 3 | 20 | 8-18 |
| 125 | 5 | 400 | 480 | 250 | 210 | 4 | 22 | 8-18 |
| 150 | 6 | 480 | 500 | 285 | 240 | 4 | 22 | 8-22 |
| 200 | 8 | 600 | 560 | 340 | 295 | 4 | 24 | 8-22 |
相關產品


